製品案内

製品案内

熱電対

端子箱型フランジ付

熱電対熱電対_端子箱型
端子箱型フランジ付

T98 シリーズはフランジタイプの熱電対で、炉内や煙道、タンク等の様々な用途に使用できます。標準のフランジはJIS 規格となりますが、JPI 規格やANSI 規格のフランジ等も製作可能です。

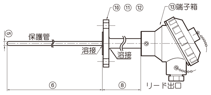
設計図

★基本仕様・単位:mm

(1)型式 T98
(2)熱電対種類 T
J
E
K
(3)階級 1
2
(4)素線数 S
D
(5)保護管外径 8
10
12
15
22
□□
(6)保護管長 100
200
□□
(7)保護管材質 304
316
310S
P4
□□
(8)ニップル長 100
□□
(9)温接点 U
G
E
(10)フランジ呼び圧
play_circle_outline固定フランジ詳細
5K
10K
□□
(11)フランジ呼び径
play_circle_outline固定フランジ詳細
10A
15A
20A
25A
40A
□□
(12)フランジ面座
play_circle_outline固定フランジ詳細
RF
FF
(13)端子箱
play_circle_outline端子箱一覧
JS
JL
□□
(14)特記事項

標準仕様

素線種類 T,J,E,K
許 容 差 クラス1、クラス2
導 線 数 シングル、ダブル
温 接 点 非接地型
絶縁抵抗 500V DC にて 10M Ω以上

CONTACT

お問い合わせ

熱電対・測温抵抗体の製造や
修理・校正に関するご相談など、
お気軽にお問い合わせください。

お電話でのお問い合わせ

大阪 /06-6308-7508

東京 /03-6417-0318

(電話受付時間 平日9:00~17:30)

メールでのお問い合わせ

メールフォームからお問い合わせください。
写真や図面の添付も可能です。