測温抵抗体


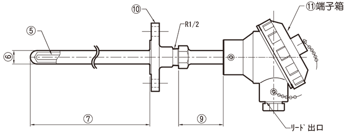
R48シリーズはフランジ接続タイプのWELL管付の測温抵抗体で配管、ダクト、タンク等の様々な用途に使用できます。又、WELL管は標準以外クリヌキやテーパータイプもございます。

| 素 子 | : | Pt100 Ω抵抗素子 |
|---|---|---|
| 導線方式 | : | 3導線式 |
| 許 容 差 | : | クラスA ± (0.15 + 0.002|t|) クラスB ( ± 0.3) ± (0.3 + 0.005|t|) |
| 測定電流 | : | 1mA |
| 素 子 数 | : | シングル、ダブル |
| 絶縁抵抗 | : | 100V DC にて100M Ω以上 |
お問い合わせ
熱電対・測温抵抗体の製造や
修理・校正に関するご相談など、
お気軽にお問い合わせください。