測温抵抗体


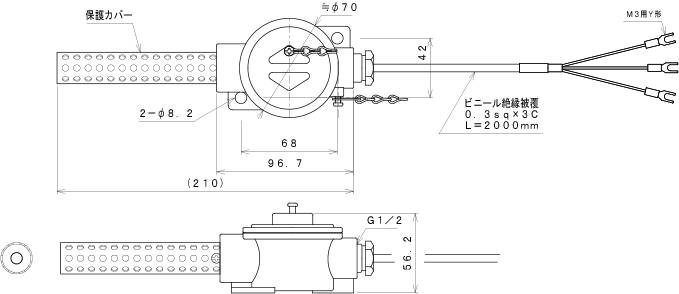
RN11シリーズ(壁取付形白金測温抵抗体/測温範囲:-50〜100℃)です。


| 型式 | 素子 種類 |
階級 | 素子数 | リード 線種 |
リード 線長 (cm) |
端末 |
|---|---|---|---|---|---|---|
| RN11-2M | Pt100Ω | B | 1 | ビニール | 200 | 壁取り付け型 |
お問い合わせ
熱電対・測温抵抗体の製造や
修理・校正に関するご相談など、
お気軽にお問い合わせください。